服务热线:
15995002038
网站首页
公司简介
新闻中心
产品展示
检测报告
访客留言
联系我们
产品中心
PRODUCTS
开窗遥控器
开窗控制器
风雨感应器
链条开窗器
螺杆开窗器
联系人:李经理
手 机:15995002038
邮 箱:835765166@qq.com
地 址:常州市武进区牛塘镇漕溪村
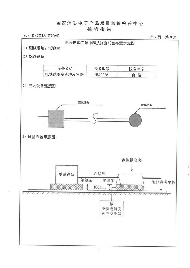
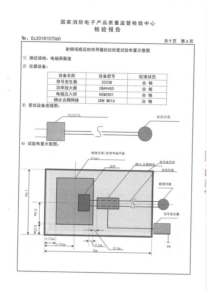
检测报告
当前位置:
首页
>
检测报告
TZD-LG500报告
发布:admin 浏览:1167次
上一篇:
TZD-LT500报告
下一篇:
TZD-KZX30报告
返回列表>>